https://m.blog.naver.com/PostView.naver?blogId=ulralralrala&logNo=223855370514&navType=by더 열심히 하자기계제도에 입문한지도 많은 시간이 지났네요 지금은 근로자의날부터 시작해서 어린이날까지 쉬는날이라서(...m.blog.naver.com
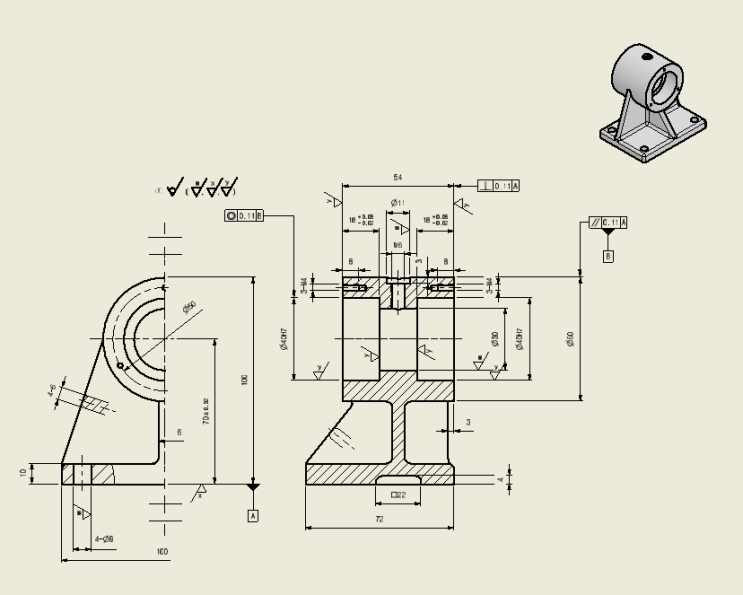
기하공차 꼬라지가 레전드네 ㅋㅋ